2020-08-18
传统的陈腐垃圾处理采用开放式处理,过程中发尘臭气扩散,给周围环境带来严重的二次污染。因此,为了解决上述问题,有必要提供一种垃圾处理系统,以解决垃圾处理不当对周围环
2020-08-18
随着城镇化的推进,我国城市垃圾处理及污染防治问题日益突出。数据显示,我国历年堆积的垃圾已超过60亿吨,垃圾肆意堆放和填埋占用土地300多万亩,全国653个设市城市有三分之二
2020-08-18
传统的陈旧垃圾处理采用开放式处理,由于粉尘和臭气的扩散,对周围环境造成严重的二次污染。因此,为了解决上述问题,我们需要提供一种老式的处理系统来解决废物处置不当造成
2020-08-17
一、垃圾填埋场的现状 自20世纪70年代以来,中国逐渐开始采用填埋法处理和处置城市固体废物。到目前为止,垃圾填埋已经成为我国城市生活垃圾的主要处置方式。垃圾填埋方法在处
2020-08-17
陈腐垃圾如何处理是一件很让人头疼的事,过去我国陈腐垃圾处理方式还是以填埋为主,随着时代的进步生活水平的提高,生活垃圾总量再不断的上升每年的垃圾产量以7%-9%的速度在增
2020-08-17
陈腐垃圾如何处理是一件很让人头疼的事,过去我国陈腐垃圾处理方式还是以填埋为主,随着时代的进步生活水平的提高,生活垃圾总量再不断的上升每年的垃圾产量以7%-9%的速度在增
2020-08-12
传统处理陈腐垃圾都采用的是开放式的处理,在该过程中因扬尘、臭气扩散,对周围环境造成了严重的二次污染。因此,为了解决上述问题,需要提供一种陈腐来及处理系统,解决因陈
2020-08-11
近年来,随着社会、经济的迅速发展,垃圾围城的现象备受关注。急剧增加的城市垃圾的排放已成为制约经济发展的重要因素,对人类的生存环境也构成了威胁,如何经济有效地治理这
2020-08-11
传统处理陈腐垃圾都采用的是开放式的处理,在该过程中因扬尘、臭气扩散,对周围环境造成了严重的二次污染。因此,为了解决上述问题,需要提供一种陈腐来及处理系统,解决因陈
2020-08-11
一、陈腐垃圾处理背景 采用填埋法处理处置生活垃圾依然面临几大突出问题:一是生活垃圾的产生量每年以7%9%的速度迅速增加,所需填埋场的面积越来越大;二是城区范围不断向周边
2020-08-11
陈腐垃圾就是指之前的垃圾经过填埋后,现在又挖出来进行处理的垃圾,一般年限较长,之前处理技术较落后,所以就直接填埋了,现在这部分垃圾需要重新处理,所以定义为陈腐垃圾
2020-08-10
陈腐垃圾填埋场的盈利模式主要是靠政府补贴,等运营到一定年限后,产生的沼气可以考虑收集利用进而产生一定的收益,但总体而言,关键性的收益还是要靠政府补贴,本文为大家讲
2020-08-10
有人类活动的地区便会有废弃物存有。伴随着社会经济发展趋势,大家生活水平的提升,及其在我国城镇化进程的加速,日常生活垃圾的种类在持续提升,总产量呈指数级升高。据调查报
2020-08-10
陈腐垃圾是指垃圾经过填埋后经过较长时间自然演变的产物。经过多年的微生物分解、发酵,通常水分较大,有机物含量很低。若要将其挖出后焚烧,则需进行筛分,将分出的部分可燃
2020-08-10
陈腐垃圾处理一直是政府面临的头疼问题,垃圾成份复杂,可回收利用率低,处置难度比较大,之前一直采用的是填埋处理,经过多年积淀,大量的土地被用于垃圾填埋,但是填埋的垃
2020-08-08
建筑垃圾是一种多组分混合物,除废混凝土、废砖瓦等无机硬质组分外,还含有废木材、废沥青、废金属、废塑料等组分。建筑垃圾须在实现各组分有效分离的基础上,分别加以利用:
2020-08-06
废旧物资即陈旧(闲置)的东西,或废弃的,可以作为再生资源的可回收利用性。废旧也是一种资源,只是不被人们所关注,很长时间一直秉持着旧货即丢、废品即扔的传统思想。在日常
2020-07-11
垃圾分类现在已经得到了社会全民的重视,一些法律法规的出台也有助于这一进程的加速,使得垃圾得到更好的处理和回收。 那么在大型垃圾处理场(生活垃圾处理设备)使用垃圾分选
2020-04-28
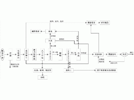
陈腐垃圾处理设备将陈腐废弃物挖到后开展筛选,按原材料运用类型将垃圾分类回收,归类后易燃物可用以焚烧处理发电量,腐殖土可用以培育景观植物群落,不适合运用的原材料最后
2020-04-22
陈腐垃圾是生活垃圾经过多年的填埋场填埋或堆放多年自然降解的产物。陈腐垃圾又称为填埋场垃圾、堆体垃圾、矿化垃圾、存量垃圾。 通过仲程垃圾分选系统将陈腐垃圾分选成可燃物